主页 > 和成产品 > 卫浴产品 > 马桶 >

C2023T节水型单体马桶

马桶类型 单体马桶
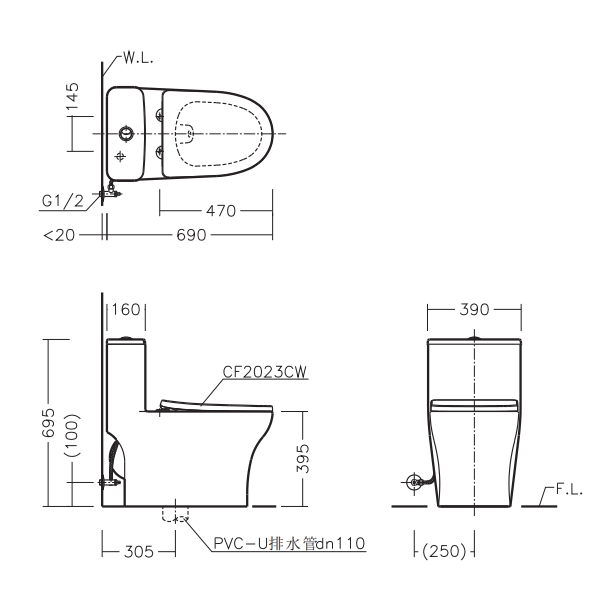
坑距 305mm
额定用水量 4.2/6.0L 
冲水方式 喷射虹吸式
外形尺寸 690x390x695mm
颜色 粉白
配件 水箱零件、软管、三角阀、法兰罩、油泥、马桶盖

产品特点

• 双档顶压冲水方式,喷射虹吸式水路结构,冲洗力强
• Rim-X静漩技术,冲洗速度更快,唇面洗净全覆盖
• 4.2/6.0升额定冲洗水量,2级水效等级指标,符合节水型坐便器标准要求
• 水路管施釉,排污更顺畅
• 全包覆水路,清洁无死角
• 金属快拆缓降马桶盖,拆装方便,开合噪音低,使用寿命更长。加长型座圈,符合人体工程学设计,如厕更舒适

水效等级

可选颜色


粉白


尺寸图



质量保证

● 瓷器提供10年有限质保
● 水箱配件提供2年有限质保
● 普通马桶盖提供1年有限质保

资料下载

>>
产品详情
产品特点
水效等级
可选颜色
尺寸图
质量保证
资料下载