主页 > 和成产品 > 卫浴产品 > 公共产品 >

AF37001-BK+AF30001-H

款式: 感应式
水效等级: 1级
材质: 低铅铜
颜色 : 拉丝黑(BK)
配件: 龙头主体(台下控制盒、进水软管、角阀、面盆落水需另购)

产品特点


● IF获奖作品,设计延伸,极简设计,风格独特;

● 龙头采用超低铅铜作原材料,对人体更健康安全,内置节水起泡器,出水美观柔和不飞溅

● 红外感应,操作快捷,方便使用

● 嵌墙式式设计,予台面预留置物空间,方便打理

● 铜一体式铸造,圆润无死角,细节考究

● PVD拉丝黑和铂金PVD表面处理可选,可搭配多种装修风格

● 交流与直流供电可选择,满足不同的用户喜好需求


可选颜色


铂金 (PT) 拉丝黑(BK)


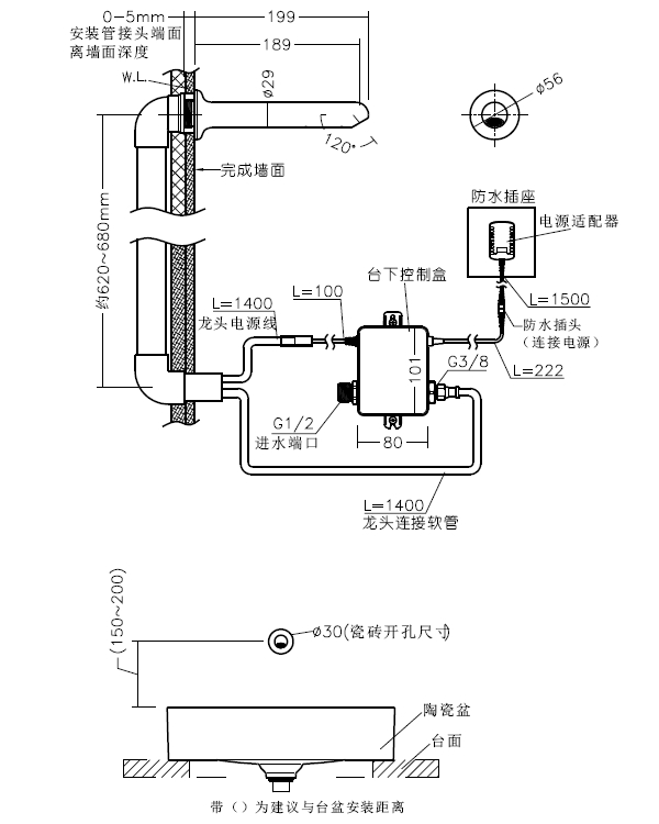
尺寸图



质量保证

 

提供整体产品1年有限保证

 

资料下载

>>
产品详情
产品特点
可选颜色
尺寸图
质量保证
资料下载